加入收藏 | 设为首页 | 会员中心 | 我要投稿 | RSS
北京
上海
天津
重庆
江苏
江西
湖南
湖北
河南
河北
广东
广西
山东
山西
海南
黑龙江
浙江
安徽
福建
四川
贵州
陕西
辽宁
吉林
甘肃
宁夏
青海
西藏
新疆
内蒙
云南
港澳台



供应京津冀地区PC构件[例]
供应全国ALC条板[例]
装配式模具生产与设计[例]
预制构件灌浆套筒等辅材[例]
塔吊吊车租赁[例]
供应京津冀地区PC构件[例]
供应全国ALC条板[例]
装配式模具生产与设计[例]
预制构件灌浆套筒等辅材[例]
塔吊吊车租赁[例]

您当前的位置:首页 > 筑傲学院 > 设计研发

装配式建筑预制梁上层钢筋绑扎的快速工法

时间:2020-07-06 21:33:28  来源: 混凝土世界

装配式建筑预制梁上层钢筋绑扎的快速工法yWW筑傲网-装配式建筑专业网站平台

詹耀裕1  纪昀1  唐雪梅2yWW筑傲网-装配式建筑专业网站平台

1. 润弘精密工程事业(台北)股份有限公司yWW筑傲网-装配式建筑专业网站平台

2. 润铸建筑工程(上海)有限公司yWW筑傲网-装配式建筑专业网站平台

 yWW筑傲网-装配式建筑专业网站平台

引言

随着近年来国家建筑政策的推动,预制装配式建筑已成为了全国各地重点发展产业。在传统建筑结构向装配式建筑转型发展之际,设计的理念及施工方式须转变,生产及施工工艺须不断提升及精进,本文提出一种预制梁钢筋绑扎快速方法,望能对业界有所参考及贡献。yWW筑傲网-装配式建筑专业网站平台

传统现浇梁箍筋为整体封闭形式,当预制叠合梁完全依传统工艺时,封闭箍筋对梁叠合层纵向钢筋施工会遇到许多困难,费时又费工。因此,在符合设计规范要求下,优化预制叠合梁的箍筋设计,使梁主筋与箍筋施工更加便利,同时又能节省人工及材料的成本,具有不小的研究意义。本文通过实践经验总结现有预制梁的整体封闭箍在施工中存在的问题,提出了一种创新的预制叠合梁箍筋的设计形式“约1/2梁跨长范围内采用组合封闭箍、梁跨两端约1/4段内采用整体封闭箍筋”。此种形式既提高预制梁上层钢筋绑扎效率,避免整体封闭箍筋预背钢筋错误的问题,又能节约人工、节省工地现场使用1/2帽盖箍的材料成本并大幅提升施工效率。yWW筑傲网-装配式建筑专业网站平台

 yWW筑傲网-装配式建筑专业网站平台

一、梁箍筋规范设计要求

规范对箍筋作用的解释是:箍筋对混凝土构件具有重要的约束作用,封闭箍筋可以有效提高对构件混凝土和纵向钢筋的约束效果,改善构件的抗震延性。实现封闭箍筋效果的,可以是钢筋弯折后对接口做闭合焊接,或采用带一对弯钩搭接的闭合箍筋,即规范中所定义的整体闭口箍;或两对弯钩搭接的闭合箍筋组合闭口箍,即规范中所定义的组合口箍。yWW筑傲网-装配式建筑专业网站平台

1. 传统现浇混凝土结构设计规范中的箍筋设计规定

一是箍筋宜采用焊接封闭箍筋、连续螺旋箍筋或连续复合螺旋箍筋。当采用非焊接封闭箍筋时,其末端应做成135°弯钩,弯钩端头平直段长度不应小于箍筋直径的10倍;在纵向钢筋搭接长度范围内的箍筋间距不应大于搭接钢筋较小直径的5倍,且不宜大于100mm。此规定适合梁和柱。yWW筑傲网-装配式建筑专业网站平台

二是GB 50010—2010《混凝土结构设计规范》第11.3.8条及GB 50011—2010《建筑抗震设计规范》第6.3.4条对梁箍筋肢距的规定相同。yWW筑傲网-装配式建筑专业网站平台

梁箍筋加密区长度内的箍筋肢距:一级抗震等级,不宜大于200mm和20倍箍筋直径的较大值;二、三级抗震等级,不宜大于250mm和20倍箍筋直径的较大值;各抗震等级下,均不宜大于300mm。yWW筑傲网-装配式建筑专业网站平台

混凝土结构构造手册》第三章第三节4.2条,梁箍筋形式均应采用封闭式箍筋。yWW筑傲网-装配式建筑专业网站平台

2. 装配式混凝土结构设计规范中的叠合梁箍筋设计规定

装配建筑规范对不同形式的封闭箍适用范围做了细分,JGJ 1—2014《装配式混凝土结构技术规程》第7.3.2条及GB/T 51231—2016《装配式混凝土建筑技术标准》第5.6.2条规定:yWW筑傲网-装配式建筑专业网站平台

(1)抗震等级为一、二级的叠合框架梁的梁端箍筋加密区宜采用整体封闭箍筋,非加密区可采用组合封闭箍筋;yWW筑傲网-装配式建筑专业网站平台

(2)抗震等级为三、四级的叠合框架梁沿梁全长可采用组合封闭箍筋;yWW筑傲网-装配式建筑专业网站平台

(3)叠合梁受扭时宜采用整体封闭箍筋,且整体封闭箍筋的搭接宜设置在预制部分;yWW筑傲网-装配式建筑专业网站平台

(4)次梁全长可采用组合封闭箍筋。yWW筑傲网-装配式建筑专业网站平台

由于装配建筑施工工艺特点,预制梁箍筋不同于传统梁箍筋,梁通长均使用封闭式箍筋。为了达到施工便利性,除了抗震等级较高的建筑梁箍加密位置采用封闭式箍筋外,其余位置其实均可使用开口箍。关于整体闭口与组合闭口的差别,在田春雨等人的“装配式建筑混凝土框架结构关键技术研究”(2016)中,在1∶1结构试验模型中,不同楼层的预制叠合梁,分别采用了整体闭口箍叠合梁及组合闭口箍叠合梁。试验结果指出,对于一般框架梁,配置组合封闭箍的预制拼装叠合梁,其弯、剪性能与配置整体封闭箍的梁基本一致。但对独立梁、受扭梁,其建议是采用整体封闭箍筋。yWW筑傲网-装配式建筑专业网站平台

 yWW筑傲网-装配式建筑专业网站平台

二、整体式封闭箍在施工中存在的问题

预制装配结构中,梁一般以一个柱间跨长做为单元梁,板以下的梁截面工厂预制,以板同厚部分梁截面现场浇置,即预制叠合梁。叠合梁通长跨内若采用整体封闭箍,叠合梁的上层钢筋一般则采用两种就位方式,一种是预制梁预背上层钢筋(如图1所示),指预制梁吊装前,先将相关钢筋穿入放置于预制梁面,随预制梁一起吊装,吊装完毕后再以水平移动方式,在箍筋所封闭的梁面空间内,调整上层钢筋位置;另一种是所有预制梁吊装完成后,钢筋从可能的缺口穿入。在梁的现浇面上找到足够长的缺口,以穿放梁的上层钢筋,可以是梁柱节点位置、梁墙节点位置或是外边梁框梁外侧。笔者从国内现有装配式建筑项目的实践经验中总结认为,预制通长整体封闭箍叠合梁,无论是预背形式或现场找缺口穿筋,需充分检讨以下施工中存在的几个问题。yWW筑傲网-装配式建筑专业网站平台
yWW筑傲网-装配式建筑专业网站平台
 yWW筑傲网-装配式建筑专业网站平台

图 1   预制叠合梁上层钢筋预背
1. 整体闭口箍梁钢筋预背存在的问题

一是预制梁预背上层钢筋,穿错风险大,预制梁安装前需进行大量的检核工作,费时费力。按目前的施工图系统,上层钢筋仅在平面图中表达,且梁上层多为跨梁柱节点及两个构件,为保证上层钢筋放置于正确的,相应的构件图,应在图纸绘制中增加上层钢筋表达内容,梁构件图工作量增加1倍以上。当预背钢筋没办法保证纵筋型号、位置、长短等完全正确时,或现场筋没办法正确就位时,需切开封闭箍筋重新调整上层钢筋(如图2所示),严重影响施工效率及质量。yWW筑傲网-装配式建筑专业网站平台

yWW筑傲网-装配式建筑专业网站平台

yWW筑傲网-装配式建筑专业网站平台

图 2   切、焊封闭箍筋修正

二是预制梁预背上层钢筋,先装钢筋,再吊装部分梁板构件,改变安装工序,往往会出现冲突。按正常安装工序,主次梁连接节点采用牛担板连接,次梁先就位,再放置主梁面层筋。若主梁面筋预背,后装次梁。面筋通常阻断次梁就位路径,导致次梁无法安装,肢距小,特别是三、四肢箍主梁(如图3所示),主梁钢筋必须在预制构件吊装完成后,再进行主筋穿筋施作,否则无法正常组装。yWW筑傲网-装配式建筑专业网站平台

yWW筑傲网-装配式建筑专业网站平台

图 3   预背钢筋与次梁牛担板冲突

三是预制梁预背上层钢筋,梁面筋就位先于预制板,按规范要求,预制kT板端宜出筋锚入至梁中心线,图4中,梁面筋同样阻断kT板吊装就位路径,导致预制kT板无法正常安装,对于箍筋肢距小,或三、四肢箍主梁,主筋穿筋施工更加困难,施作空间狭小(仅有叠合部分的高度)。采用预背主筋的方式,一旦出现钢筋错放,修正难度大,因此从设计到生产管理,再到工地吊装前的检核工作要求极高。yWW筑傲网-装配式建筑专业网站平台

yWW筑傲网-装配式建筑专业网站平台

图 4   预背钢筋与kT板出筋冲突
2. 现场穿筋存在问题

梁采用封闭箍,保持原来的施工工序,构件吊装就位后再放置梁的上层钢筋。现场穿筋时,从梁端柱节点处或梁端剪力墙段斜插进入(如图5所示)。梁上层筋直径较小时,有机会穿入但施工效率不高;梁面纵筋直径大于28mm,穿筋难度呈等倍数加大,甚至无法从节点处穿入。另一解决方案是,现场从边梁外穿筋,这要求有施工外架。yWW筑傲网-装配式建筑专业网站平台

yWW筑傲网-装配式建筑专业网站平台

图 5   现场主筋穿筋困难

 yWW筑傲网-装配式建筑专业网站平台

三、组合式封闭箍的设计及施工讨论

传统设计中,梁箍筋一般为整体封闭形式,依预制装配工艺特点,引入开口箍设计。考虑搭接组合闭合箍同样发挥封闭箍作用,装配式建筑设计中引入组合式封闭箍,方便叠合梁上层钢筋现场就位。组合式封闭箍由预制梁中的U型开口箍筋与现场安装的帽盖箍筋组成。组合式封闭箍形式使作业人员在U型开口箍筋的上面完成主筋穿筋作业,且操作空间相比传统的封闭式箍筋更大,待主筋穿筋作业完成后,绑扎帽盖箍,箍筋完成闭合。yWW筑傲网-装配式建筑专业网站平台

但如果组合闭口箍设计控制不恰当,依旧发挥不了上层钢筋放置的便利性,因此设计阶段需事前考量几点,如预制梁宽控制、箍筋直径及弯钩长度、叠合深度、箍筋肢数等几个条件,相对全封闭箍,可有效解决上梁上层钢筋正确排布,并提高施工效率。yWW筑傲网-装配式建筑专业网站平台

1. 组合式封闭箍设计注意事项

(1)箍筋搭接弯钩角度问题yWW筑傲网-装配式建筑专业网站平台

规范对抗震设计梁的箍筋搭接弯钩平直段长规定是取10倍箍筋直径和75mm中的较大值,箍筋弯钩长度越长,梁叠合面内的钢筋穿筋空间越小,当135°弯钩影响上层钢筋排布时,可加大角度达180°,以增加弯钩间的施作空间。如图6所示。yWW筑傲网-装配式建筑专业网站平台

yWW筑傲网-装配式建筑专业网站平台

图 6   箍筋弯钩设计要求

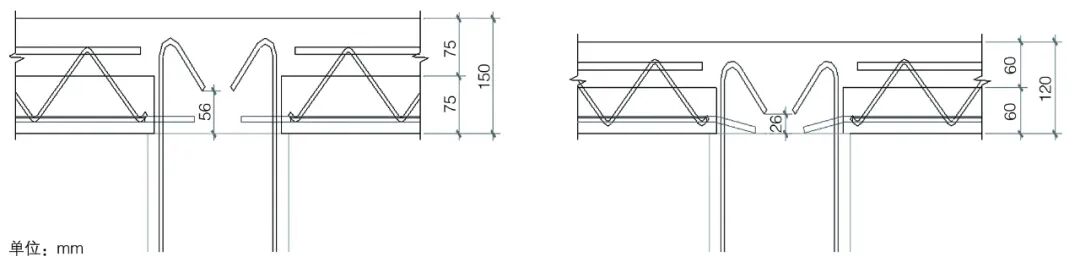
(2)楼板厚度对预制梁上层钢筋穿筋空间的影响yWW筑傲网-装配式建筑专业网站平台

梁叠合层高度一般取楼板厚度,楼板厚度影响组合闭口箍的U型开口箍筋叠合部分的高度与上层主筋穿筋施作空间。yWW筑傲网-装配式建筑专业网站平台

以直径8mm的箍筋为例,板厚150mm的梁上层主筋施作净空间为56mm,板厚120mm的梁上层主筋施作净空间为26mm。当板厚150mm时,主筋穿筋施作空间相对充足;而当板厚为120mm时,净空间仅为26mm,净空间过小,主筋穿筋施作困难,需要采取箍筋后弯措施。如图7所示。yWW筑傲网-装配式建筑专业网站平台

yWW筑傲网-装配式建筑专业网站平台

图 7   不同楼板厚度与U型开口箍筋弯钩处穿筋空间示意图

(3)预制梁宽对预制梁上层钢筋穿筋空间的影响yWW筑傲网-装配式建筑专业网站平台

梁宽过小,U型开口箍弯钩几乎重叠,为增加梁上层主筋穿筋施作空间,梁预制混凝土面可下凹一定幅度,且kT板出筋下弯。yWW筑傲网-装配式建筑专业网站平台

以直径8mm的箍筋为例讨论不同梁宽之施工便利性。如图8所示,假设kT板板厚140mm,预制部分板厚70mm,现浇部分板厚70mm。针对梁宽小于300mm,U型箍弯钩可能设计为2次弯折。yWW筑傲网-装配式建筑专业网站平台

yWW筑傲网-装配式建筑专业网站平台

图 8   不同梁宽U型开口箍筋弯钩处穿筋空间示意图

(4)预制梁箍筋直径对预制梁上层钢筋穿筋空间的影响yWW筑傲网-装配式建筑专业网站平台

抗震设计框梁箍筋弯锚搭接时,直径8mm以上箍筋的平直段长度为10倍钢筋直径,以350mm梁宽为例,直径12mm箍筋的开口箍两侧的搭接弯折段使叠合层形成闭合空间,依旧无足够上层钢筋穿筋空间。若采用小直径箍筋,可缩短弯钩延长段尺寸,增加施作空间, 如采用直径10mm箍筋,弯钩之间有56mm缝隙,弯钩与预制梁面有68mm缝隙,梁上层钢筋从预留缝穿入梁叠合面,并无困难,如图9所示。 yWW筑傲网-装配式建筑专业网站平台

yWW筑傲网-装配式建筑专业网站平台

图 9   不同梁箍筋与U型开口箍筋弯钩处穿筋空间示意图

(5)多肢箍施工定位精度对预制梁上层钢筋穿筋空间的影响yWW筑傲网-装配式建筑专业网站平台

多肢箍叠合梁生产质量难以把控,定位精度控制不良,易出现箍筋位置错移,如图10所示。解决多肢箍的质量缺陷,生产过程应设计相应定位治具。箍筋设计时,可考虑用并筋形式(如图11所示),或采用一笔箍形式(如图12所示),以减小弯钩数。yWW筑傲网-装配式建筑专业网站平台

yWW筑傲网-装配式建筑专业网站平台

图 10   四肢箍质量缺陷                               图 11   箍筋并箍形式         图 12   一笔箍形式yWW筑傲网-装配式建筑专业网站平台

2. 施工注意事项

影响梁叠合层穿筋空间因素较多,板厚、箍筋直径、板出筋方式、箍筋肢数等,当以上参数没办法得到最优解时,采用组合开口箍及电动弯折器做现场弯折,仍可有效解决叠合梁上层钢筋穿筋问题。如图13所示,梁宽350mm,箍筋直径12mm,开口箍弯钩段几乎重叠。解决方案是:在构件制作时,其中一边的梁箍筋使用45°弯构,待在工地放入后再用电动弯箍机将之进行弯折至135°。yWW筑傲网-装配式建筑专业网站平台

yWW筑傲网-装配式建筑专业网站平台

图 13   U型开口箍筋2次弯折

 yWW筑傲网-装配式建筑专业网站平台

四、1/2梁跨组合封闭箍梁设计及案例成果

结合组合式封闭箍的施工优势与国内设计规范的要求,我们提出创新了一种新型的预制叠合梁箍筋的设计形式(如图14所示),梁两端约1/4跨长段,加密区范围内,箍筋采用整体式封闭箍,满足规范框架梁箍筋的设计要求,并尽量减少帽盖箍的使用。中央约1/2跨长段,梁非加密区内采用组合式封闭箍,即U型开口箍与帽盖组合闭口箍。此段长度以上层钢筋可穿入为准,依经验,1/2梁跨长开口可以满足上层筋的穿筋需要,1/2梁跨组合封闭箍梁设计,现场施工时,在梁跨长距离内穿放上层钢筋,施工难度降低,效率大幅提高(如图15所示)。yWW筑傲网-装配式建筑专业网站平台
yWW筑傲网-装配式建筑专业网站平台

图 14   梁两端1/4段(加密区)整体封闭箍(左),1/2梁跨U型开口箍主、次梁(右)

yWW筑傲网-装配式建筑专业网站平台

图 15   U型开口箍筋2次弯折现场案例

1/2梁跨组合封闭箍梁设计在合肥市肥西县新港公租房(2015)、福建建工可门预制厂(2106)、广州市恒盛大厦(2017)、重庆涪陵秋月台项目(2019)等项目中均有应用。说明1/2梁跨组合封闭箍梁设计可保持穿筋工作流畅,减少开口箍套帽盖箍的工作量,优化了预制叠合梁钢筋施工的效率及人工成本(如图16所示)。yWW筑傲网-装配式建筑专业网站平台

yWW筑傲网-装配式建筑专业网站平台

图 16   现场钢筋绑扎情况及成果

在实施案例过程中,我们对现场钢筋施工时的记录进行分析,其施工方式的优缺点及效率结果见表1,其中方案一及方案二预制梁采用封闭箍筋,方案三则采用1/2段组合闭中,即开口箍筋与帽盖组合,经比较,采1/2开口箍预制梁之钢筋施工不论在速度、安全及施工难易程度上皆优于全闭口箍筋预制梁,但钢筋用量上帽盖箍的材料使用会稍多,综合工地工期及现场工人薪资趋势,组合闭口箍具有相当的优势。箍筋形式综合对比见表2。yWW筑傲网-装配式建筑专业网站平台

yWW筑傲网-装配式建筑专业网站平台
 
结语

当前是建筑业转型装配式建筑发展的重要阶段,工程师常用现浇思维进行装配式建筑设计,设计端多为专注结构分析与构造,设计阶段没有进行生产与施工性分析,用传统构造设计进行装配结构设计,设计深度不够,往往造成施工不良、野蛮装配施工、现浇式装配施工。本文从设计,施工方面综合分析梁箍筋的设计与施工,提出梁箍筋设计的有效形式,亟予业界参考。yWW筑傲网-装配式建筑专业网站平台

 yWW筑傲网-装配式建筑专业网站平台

参考文献:yWW筑傲网-装配式建筑专业网站平台

[1]中华人民共和国住房和城乡建设部. 装配式混凝土结构技术规程: JGJ 1—2014[S]. 北京: 中国建筑工业出版社, 2014.yWW筑傲网-装配式建筑专业网站平台

[2]中华人民共和国住房和城乡建设部. 装配式混凝土建筑技术标准: GB/T 51231—2016[S]. 北京: 中国建筑工业出版社, 2017.yWW筑傲网-装配式建筑专业网站平台

[3]中华人民共和国住房和城乡建设部. 混凝土结构设计规范: GB 50010—2010[S]. 北京: 中国建筑工业出版社, 2016.yWW筑傲网-装配式建筑专业网站平台

[4]中华人民共和国住房和城乡建设部. 建筑抗震设计规范: GB 50011—2010[S]. 北京: 中国建筑工业出版社, 2016.yWW筑傲网-装配式建筑专业网站平台

原文参见《混凝土世界》yWW筑傲网-装配式建筑专业网站平台


来顶一下
返回首页
返回首页
发表评论 共有条评论
用户名: 密码:
验证码: 匿名发表
推荐资讯
装配式建筑单位免费登记,第一时间分享装配式项目合作讯息!
装配式建筑单位免费登
装配式建筑招投标,你都清楚吗?
装配式建筑招投标,你
重庆市首个主体结构全装配钢筋混凝土建筑投用
重庆市首个主体结构全
石家庄一建筑方案印发 要求被动房开工建设至少35万平
石家庄一建筑方案印发
购买装配式必读书籍
栏目更新
栏目热门